
واحد بلبرینگ فلنج دار مربعی UCF 215
ارسال درخواست
Product Details ofواحد بلبرینگ فلنج دار مربعی UCF 215
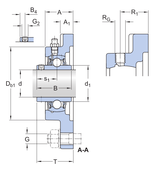
ابعاد مرزی بلبرینگ
|
|
نام حامل | UCF 215 |
| قطر سوراخ (d) | 75 میلی متر | |
| قطر بیرونی حلقه داخلی (د1) | ≈ 91.5 میلی متر | |
| عرض محفظه (A) | 56.5 میلی متر | |
| عرض فلنج (A1) | 22 میلی متر | |
| عرض حلقه داخلی (B) | 77.8 میلی متر | |
| فاصله بین پیچ های اتصال (J) | 159 میلی متر | |
| طول کلی (L) | 200 میلی متر | |
| عرض کلی (T) | 78.3 میلی متر | |
| کاهش بار دینامیکی پایه | 66.3 کیلونیوتن | |
| رتبه بندی بار استاتیک پایه | 49 کیلونیوتن | |
| محدودیت بار خستگی | 2.04 کیلونیوتن | |
| تحمل جرم | 6.15 کیلوگرم |
کاربردهای بلبرینگ UCF 215
بلبرینگ UCF 215 یک واحد بلبرینگ فلنج مربعی با طیف گسترده ای از کاربردها است. یاتاقانهای UCF 215 معمولاً در ماشینهای کشاورزی، ماشینهای نساجی، ماشینهای چاپ، ماشینآلات ساختمانی، سیستمهای انتقال، قطعات خودرو مانند تراکتور، دروگر، جرثقیل برجی، میکسر بتن و غیره برای تحمل بارهای شعاعی بالا و اطمینان از عملکرد پایدار استفاده میشوند. تجهیزات

ماشین آلات ساختمانی

ماشین آلات کشاورزی

قطعات خودرو

ماشین آلات ساختمانی
درباره حمل و نقل





تگ های محبوب: واحد بلبرینگ فلنج مربعی ucf 215، تولید کنندگان، تامین کنندگان واحد بلبرینگ فلنج مربعی ucf 215 چین, Beskikbaarheid van baldraende, baldraende katalogus, Prestasie van baldraende, Voorraad van die baldraende, Tegniese gegewens van kogellager, Gebruik van baldraende
شما نیز ممکن است دوست داشته باشید
ارسال درخواست

